掌握 GD&T:精密 CNC 加工與幾何公差的核心指南
引言:精度的語言
在高要求制造領域,一張圖紙不僅是形狀的呈現,它更是一份“契約”。當你把圖紙發送給一家 CNC 加工工廠時,你傳遞的不只是零件長什么樣,還包括它 如何運作。然而,傳統坐標尺寸標注(簡單的 X、Y 尺寸)往往無法表達設計意圖。這正是幾何尺寸與公差(GD&T)發揮作用的地方。
作為深圳一鑫精密的市場研究專家,我分析過上千份 RFQ(報價請求)。我見過由于公差標注不清導致成本上升、交期延誤、零件不合格的情況。相反,一個結構合理的 GD&T 設計,能確保我們的高速 CNC 設備加工出完美貼合并功能穩定的零件。
本文將幫助你輕松理解 GD&T 基礎符號、關鍵概念,并展示深圳一鑫精密如何運用這些標準來實現卓越加工品質。
什么是 GD&T?
要正確 定義幾何公差(define geometric tolerance),我們必須跳出尺子的思維。
GD&T 是一種工程圖與 3D 模型中使用的符號化語言,用于明確理想幾何形狀及其允許偏差。
傳統公差標注(如 ±0.1mm)控制的是尺寸,而 GD&T 控制的是:
-
形狀 Form
-
方向 Orientation
-
位置 Location
也就是說,它回答了一個關鍵問題:
“這個特征在不影響功能的情況下,可以偏離理想幾何多少?”
我們為什么需要 GD&T?
-
功能性:確保零件能正確配合(如:銷子是否能順利插入孔)。
-
降低成本:允許“獎勵公差”(Bonus Tolerance),讓加工更靈活。
-
通用語言:一個 gd 符號(gd sign)在深圳、柏林、紐約含義完全一致,全球供應鏈無障礙溝通。

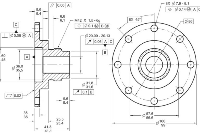
解碼符號——特征控制框(Feature Control Frame)
GD&T 的核心是特征控制框,它就像工程語言的“句子結構”。
特征控制框通常分為三欄:
-
幾何特征符號(Geometric Characteristic Symbol):是什么要求,如位置度、平面度。
-
公差值(Tolerance Value):允許偏差多少。
-
基準引用(Datum References):從哪里測量。
理解特征控制框中的每一個 gd sign(GD 符號) 對工程師和采購都至關重要。
特別是涉及航空航天、醫療等零件時,你的 CNC 供應商必須熟練掌握這一語言。
GD&T 符號庫(GD Signs and Symbols GD)
要讀懂圖紙,你必須識別 ASME Y14.5 或 ISO 1101 標準中使用的符號。
在深圳一鑫精密,我們的工程師在收到你的 CAD 文件后,會立即分析這些符號以制定最佳加工方案。
以下為五大類 GD&T 符號分類:
GD&T 五大符號家族總覽
| 類型 | 符號名稱 | 簡單解釋 | CNC 加工中的意義 |
|---|---|---|---|
| 形狀 Form | 直線度(—) | 線或軸有多直 | 軸類零件關鍵特征 |
| 平面度(?) | 面有多平 | 密封面必須嚴格控制 | |
| 圓度(○) | 圓形有多圓(2D) | 軸承配合必備 | |
| 圓柱度(?) | 圓柱是否完全直且圓(3D) | 難度最高,需要高精密車削 | |
| 方向 Orientation | 垂直度(⊥) | 與基準90° | 確保側壁垂直于底面 |
| 平行度(//) | 與基準保持等距 | 用于安裝平臺 | |
| 角度(∠) | 相對基準的角度 | 復雜外形常用 | |
| 位置 Location | 位置度(?) | 特征中心的準確位置 | 最重要的公差符號 |
| 同心度(◎) | 是否共用中心軸 | 測量難度大,多用位置度代替 | |
| 跳動 Runout | 圓跳動(↗) | 局部旋轉時的擺動 | 檢查旋轉件 |
| 全跳動(?) | 整個表面的綜合擺動 | 需高端數控車削 | |
| 輪廓 Profile | 線輪廓度(⌒) | 2D 曲線的形狀 | 常用于翼型、外觀曲線 |
| 面輪廓度(?) | 3D 表面的形狀 | 模具制造、流體件常見 |

公差之王——位置度(Geometric Tolerance Position)
如果 GD&T 里只能學一個概念,那一定是 位置度(Position)。
傳統尺寸標注采用 正方形公差區(X ±0.1,Y ±0.1)。
但在正方形的角落處,其實偏差比邊中點更大——導致加工浪費。
而 位置度使用圓形公差區。
好處:
-
比矩形公差區可用面積 增加 57%
-
裝配性能更好
-
控制更符合真實功能需求
符號: ?
在深圳一鑫精密,我們特別喜歡位置度,因為它允許使用:
-
功能量規(Functional Gauging)
-
最大實體狀態(MMC)獎勵公差
這能有效降低報廢率,助你降低成本。
學習與資源(GD and T PDF)
許多客戶希望獲取一個 gd and t pdf,方便打印和桌面查閱。
雖然我們不能直接提供 ASME 或 ISO 的版權材料,但我們建議:
-
購買 ASME Y14.5-2018 標準——GD&T 的“圣經”
-
使用全球合法的 GD&T 速查表 / 墻圖(Wall Chart)
-
下載工程機構提供的 GD&T Cheat Sheet
擁有參考指南可以幫助你提前發現圖紙錯誤,提高溝通效率。
例如:給圓柱特征標注平行度但未定義基準,是很常見但會導致項目停滯的錯誤。

深圳一鑫精密的 GD&T 實力
為什么理解 GD&T 對選擇供應商至關重要?
因為 對 GD&T 的解釋能力決定了零件質量。
如果工廠把 GD&T 看作“建議”而不是“規則”,你的裝配線就會出問題。
在深圳一鑫精密,我們讓“理論”變成“現實”。
1. 高級計量能力(CMM 檢測)
沒有測量,就沒有制造。
對于面輪廓度、位置度等復雜公差,卡尺根本無法驗證。
我們使用先進三坐標(CMM)來:
-
導入你的 CAD 模型
-
掃描實際零件
-
自動對比理想幾何
-
生成完整檢驗報告
2. DFM 可制造性反饋
每當你發送給我們文件,我們會:
-
檢查所有 GD&T 公差
-
判斷是否過度嚴格(導致你成本升高)
-
判斷符號是否合理使用
-
提供可制造性優化建議
我們幫助你節省成本,而不是簡單“按圖加工”。
3. 精密加工設備集群
我們的 3 軸、4 軸、5 軸設備可輕松實現:
-
±0.005mm 的嚴格尺寸公差
-
嚴格位置度要求
-
高標準平面度、垂直度、跳動等要求
-
半導體散熱板、航空零件、醫療部件等高精度加工

總結
GD&T 不只是一組符號,它是一種 高效制造策略。
通過正確 定義幾何公差(define geometric tolerance) 和掌握 位置度(geometric tolerance position),你可以將模糊圖紙轉換為精確的制造指令。
但再完美的圖紙也需要一個可靠的制造伙伴。
在深圳一鑫精密,我們不僅懂每一個 gd sign,還能將它們加工成現實。
- 上一篇:
7 大顛覆性洞察:揭秘行業專用 CNC 加工如何驅動當今高精
2025/12/9 - 下一篇:
海洋金屬加工與水下機器人:用于海洋科技與定制船艇配件的精密C
2025/11/5
